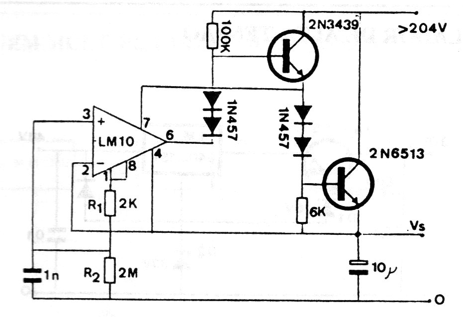
La relación de valores entre R1 y R2 determina la tensión de referencia para este circuito que encontramos en una documentación de los años 70. El circuito integrado utilizado no es muy común actualmente y los transistores pueden ser sustituidos por equivalentes, pues tampoco son comunes.




