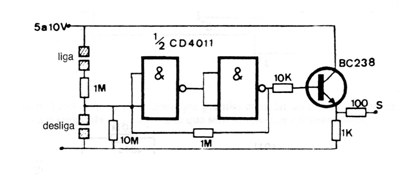
Este circuito puede ser utilizado como un shield de entrada retirando la señal directamente de la segunda puerta, o accionando un circuito de mayor potencia con el transistor BC548 en lugar del BC238 original. El circuito es de una documentación de los años 70 y para ser utilizado como escudo la alimentación debe ser hecha con 5 V.




