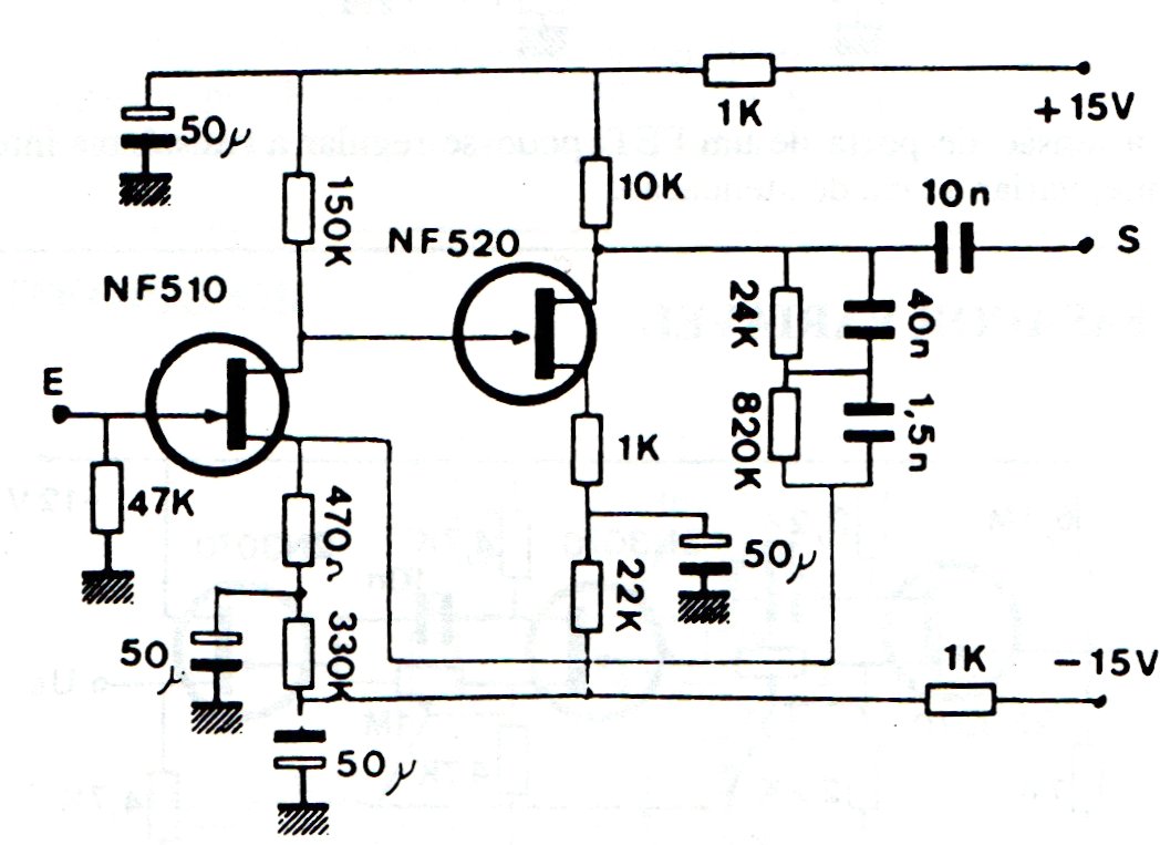
Este circuito con ganancia de 33 dB en 1 kHz tiene una resistencia de entrada de 47 k y ecualización RIAA para tocadiscos. El circuito es de una documentación de los años 90 debiendo tener excelente blindaje en los cables de señal y filtrado en la fuente. La fuente de alimentación debe ser simétrica.




