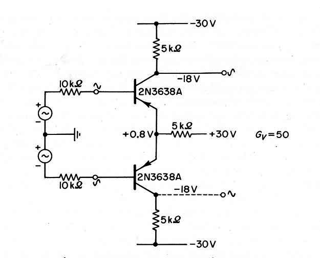
Esta etapa de amplificador diferencial con un transistor se encuentra en una publicación de 1968. El circuito utiliza transistores complementarios y debe ser alimentada por fuente doble.

Esta etapa de amplificador diferencial con un transistor se encuentra en una publicación de 1968. El circuito utiliza transistores complementarios y debe ser alimentada por fuente doble.
