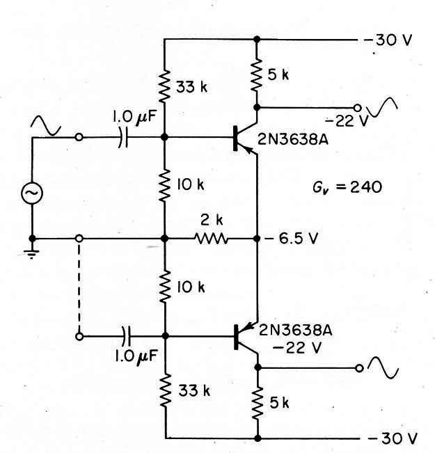
Este circuito amplificador diferencial tiene señales de salida que tienen fases opuestas. El circuito es de una documentación 1968 debe ser alimentado con fuente simétrica. Transistores equivalentes pueden ser utilizados.

Este circuito amplificador diferencial tiene señales de salida que tienen fases opuestas. El circuito es de una documentación 1968 debe ser alimentado con fuente simétrica. Transistores equivalentes pueden ser utilizados.
