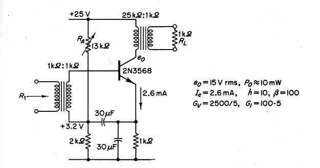
Este circuito de un transistor utiliza transformador de acoplamiento de las señales de entrada y de salida. Nos encontramos esta configuración en una publicación de 1968. Las características del circuito están dadas por el diagrama.

Este circuito de un transistor utiliza transformador de acoplamiento de las señales de entrada y de salida. Nos encontramos esta configuración en una publicación de 1968. Las características del circuito están dadas por el diagrama.
