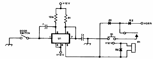
El circuito integrado utilizado en esta alarma es el 555. Encontramos esta configuración en una publicación de 1977. El relé es de 12 V de baja corriente. Para las corrientes más grandes se debe utilizar un transistor conductor. Los diodos pueden ser los 1N4002.C determina la temporización pudiendo tener valores entre 1 uF y 10 uF.




