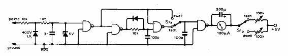
Este circuito se obtuvo en una documentación de 1975. Está destinado a vehículos antiguos que todavía utilizan platino, de donde la señal se ha retirado. El circuito debe ser alimentado por 5 V que puede obtenerse de un regulador 7805. El circuito también mide el ángulo de permanencia del platinado.




