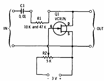
Encontramos este circuito en una antigua publicación americana de 1975. Puede utilizar prácticamente cualquier FET común como el BF245. El circuito atenúa las señales de audio a partir de un control de tensión. El circuito se puede utilizar como un potenciómetro electrónico.




