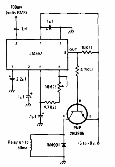
Con los valores de los componentes de este circuito, el reconocimiento de tono se puede hacer en el rango de 700 a 1500 Hz. El capacitor en el pin 6 puede ser cambiado a otros tiempos. La tensión del relé debe ser de acuerdo con la alimentación y el transistor puede ser el BC558. El circuito es de una publicación de 1978.




