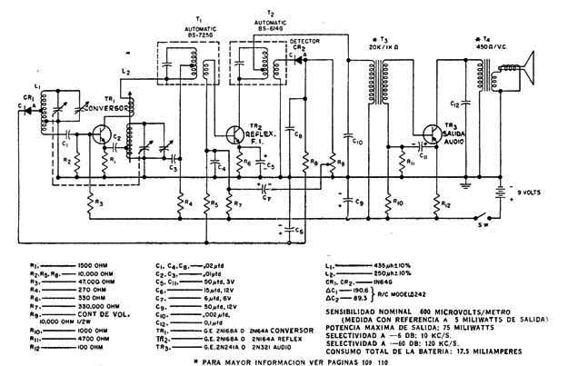
Este es el diagrama de un receptor comercial de 1958. El circuito se encontró en documentación del tiempo. Los elementos críticos son transistores y las bobinas, además del transformador de salida. El circuito utilizada alimentación por batería de 9 V.




