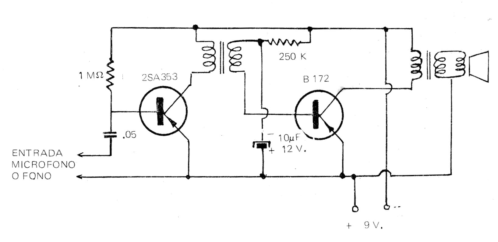
El primer transformador es un driver encontrado en radios transistorizados y el segundo un pequeño transformador de salida. Los transistores originales son de germanio, pero se pueden utilizar tipos de silicio como el BC558 y la alimentación quedará entre 6 y 9 V. El circuito es de una publicación de los años 1970.




