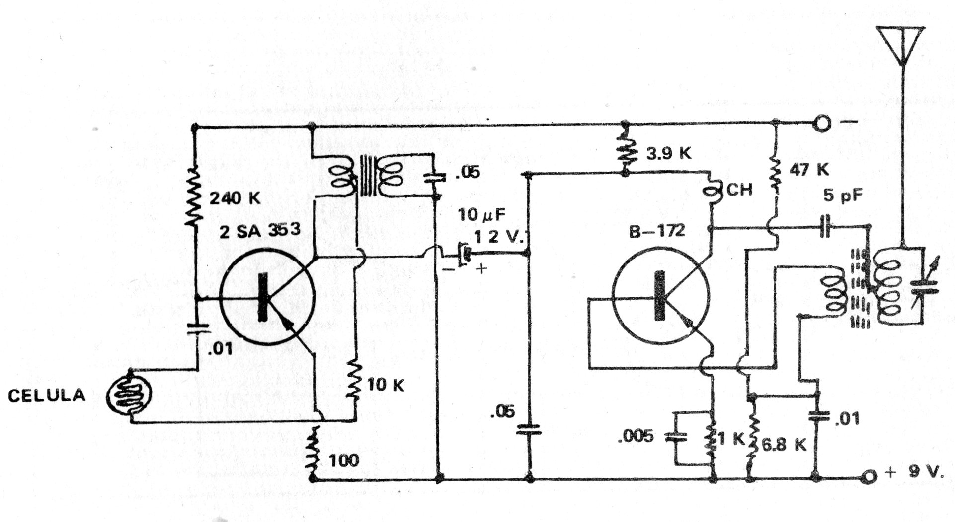
Este circuito emite una señal en el rango de AM, cuya frecuencia de modulación depende de la intensidad de la luz que incide en el LDR. Los transistores pueden ser antiguos de germanio PNP o tipos modernos como los BC558 y la alimentación puede quedar entre 6 y 9 V, La bobina osciladores tiene primario de 50 + 50 espiras y secundario de 30 espiras de hilo 28 a 30 en bastón de ferrita. La variable se puede obtener de una vieja radio de ondas medias y el transformador modulador es un controlador o salida de radio transistor antiguo.




