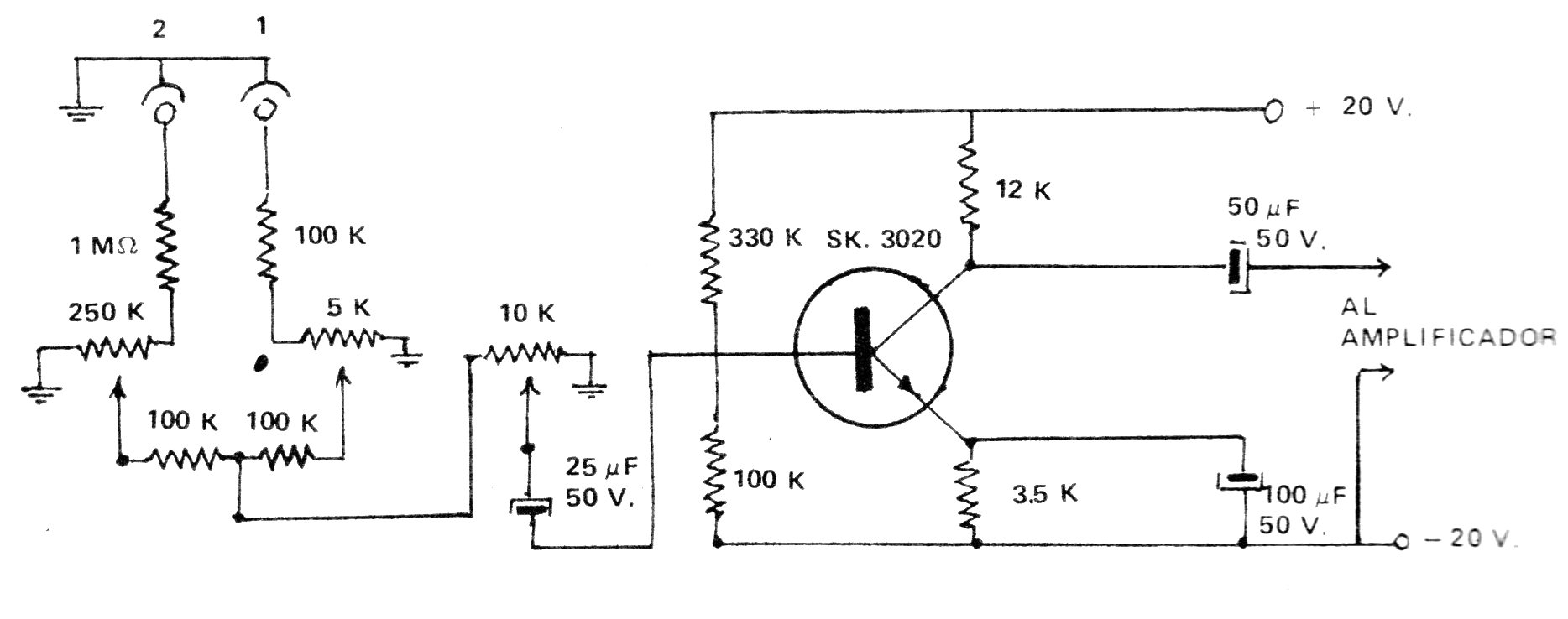
Este circuito, de una antigua publicación de los años 1970, puede ser fácilmente elaborado en nuestros días con un BC548 o BC549. El circuito puede ser alimentado con tensiones de 15 a 22 V obtenidas del propio amplificador con el que va a operar. Se pueden agregar más entradas y los potenciómetros pueden tener valores actuales como 220k en lugar de 250k. Los cables de entrada y salida deben ser blindados.




