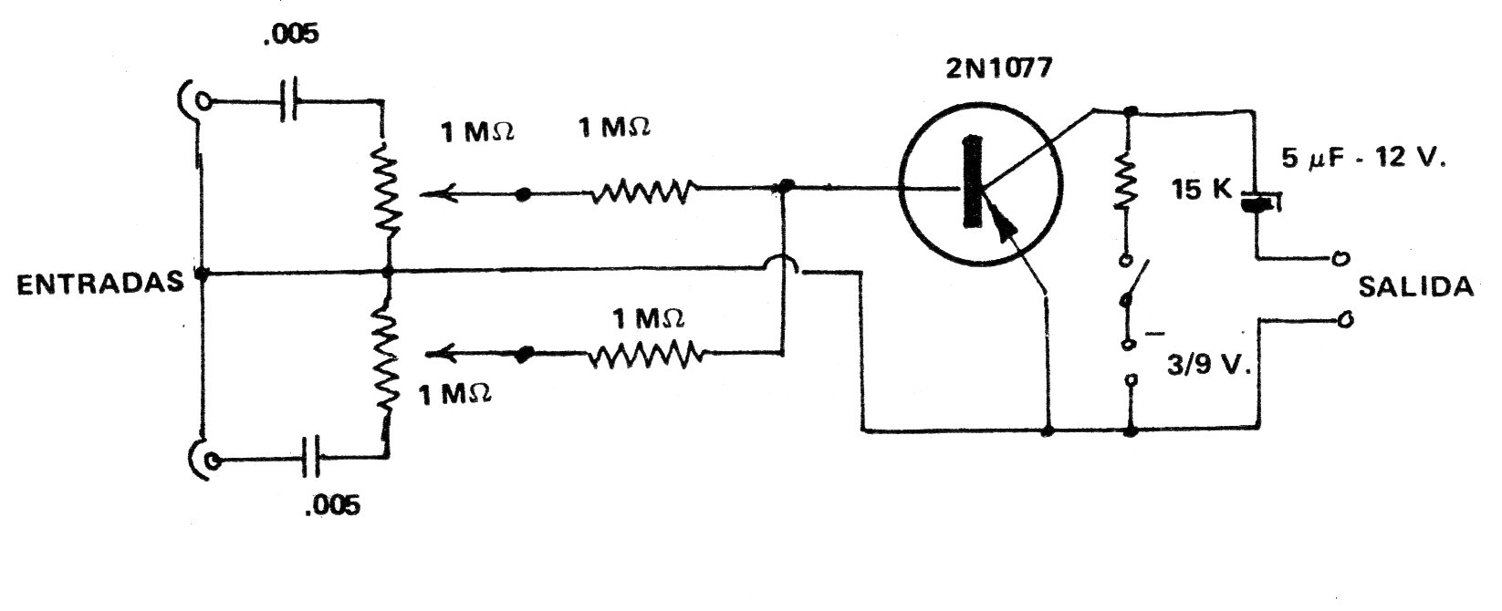
El transistor de este mezclador antiguo puede ser el BC558 y la alimentación se puede realizar con pilas, batería o fuente. Los cables de entrada y salida de señales deben ser blindados. El consumo es muy bajo y más entradas se pueden agregar al circuito.




