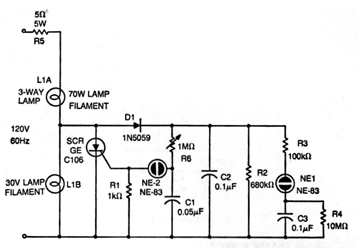
Este circuito se obtuvo en una publicación de 1978, pero se puede montar con componentes actuales como el TIC106 para el SCR. Las lámparas deben ser obligatoriamente incandescentes y el potenciómetro ajusta la velocidad del efecto. Las lámparas de neón pueden ser de cualquier tipo.




