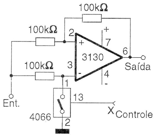
El interesante circuito mostrado en la figura, puede tener su ganancia controlada digitalmente y presentar dos valores. Cuando la entrada de control X, está en el nivel alto (+5 V), la ganancia de este amplificador es -1 (seguidor inversor). Cuando la entrada de control X se lleva a una tensión de -5 V, la ganancia pasa a ser +1 (seguidor no inversor). Observe que la fuente para el circuito integrado CMOS 4066 (cuatro llaves analógicas digitales), debe ser simétrica con 5-0-5 V, pues su operación se realiza en el modo analógico. El CA3140 es un amplificador operacional con transistores de efecto de campo en la entrada, pudiendo utilizarse tipos equivalentes.




