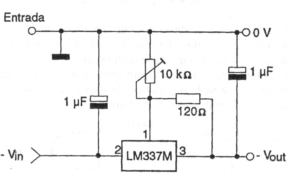
Este circuito se encuentra en una documentación antigua. El circuito integrado utilizado es para 500 mA de corriente máxima y puede ser ajustado para tensiones de -2 a -37 V debiendo ser montado en disipador de calor. La tensión de entrada debe ser por lo menos 2 V mayor que la mayor tensión de salida que va a ser ajustada.




