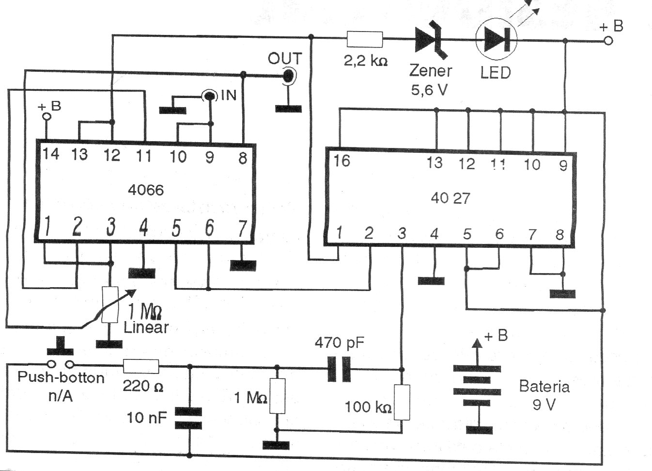
Este circuito fue encontrado en una documentación de 1997, pero utiliza componentes absolutamente comunes en nuestros días. El circuito puede ser alimentado por batería de 9 V, pues su consumo es muy bajo. Los cables de entrada y salida de señales deben ser blindados.




