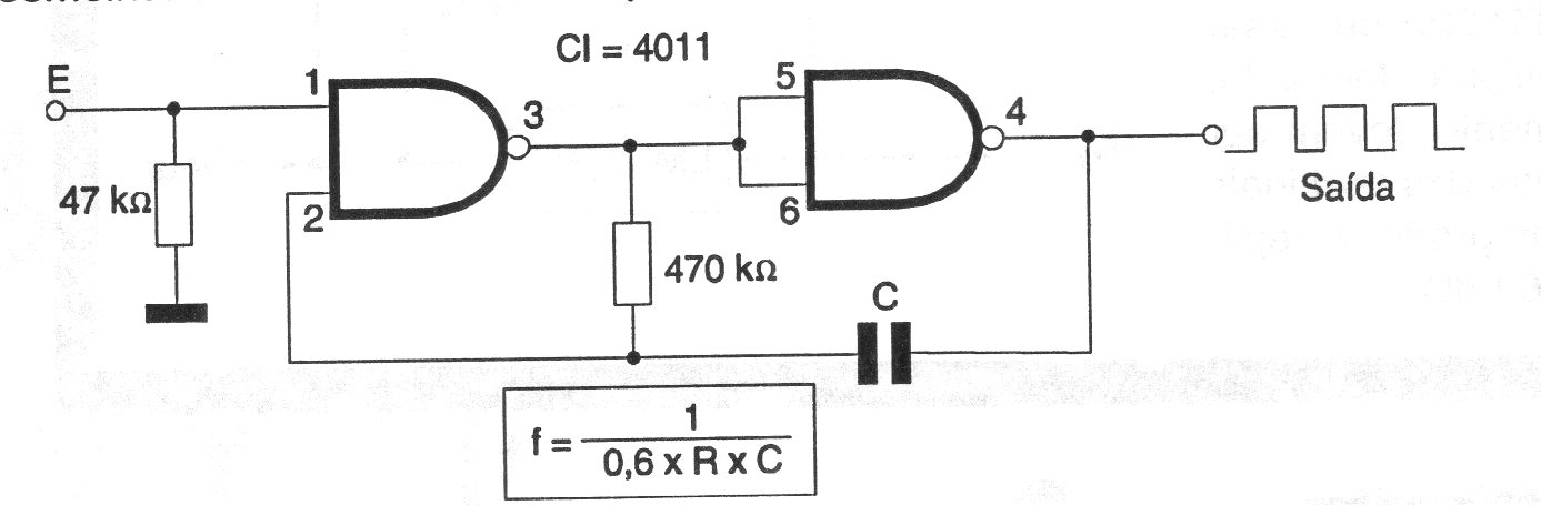
Este oscilador controlado basado en un CMOS 4011 puede producir señales de algunos hertz hasta más de 4 MHz, dependiendo de la tensión de alimentación. Esta tensión puede quedar entre 3 y 15 V y la frecuencia depende del condensador según la fórmula junto al diagrama. La alimentación positiva es en el pin 14 y negativa en el pin 7.




