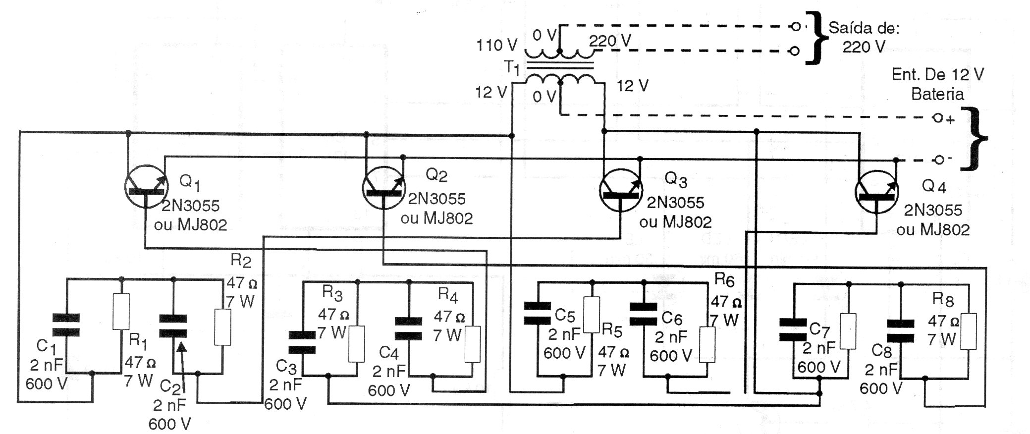
Dependiendo del transformador usado, la potencia de este inversor puede llegar a los 300 W. Se trata de un circuito crítico donde los transistores de potencia deben estar dotados de excelentes disipadores de calor. La tensión de salida depende del transformador. La señal de salida no es sinusoidal y no tiene 60 Hz exactamente. El circuito es de una documentación de 1997.




