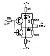
Este circuito para una salida de 1,25 V utiliza dos transistores para obtener una referencia de 1,25 V. Los transistores son de uso general y la tensión de entrada es de 5 V simétrico. El circuito es de una documentación de los años 80.

Este circuito para una salida de 1,25 V utiliza dos transistores para obtener una referencia de 1,25 V. Los transistores son de uso general y la tensión de entrada es de 5 V simétrico. El circuito es de una documentación de los años 80.
