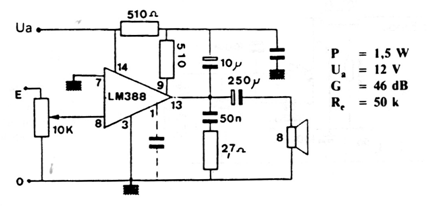
Este circuito se encuentra en una documentación antigua. El circuito integrado utilizado no es más común en nuestros días. Las características se dan junto al diagrama.

Este circuito se encuentra en una documentación antigua. El circuito integrado utilizado no es más común en nuestros días. Las características se dan junto al diagrama.
