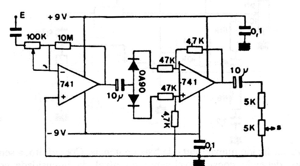
Este circuito de efecto dobla la frecuencia del sonido de una guitarra aplicada a su entrada. El circuito es alimentado con 9 V y los integrados usados son comunes aún hoy. Los cables de entrada y salida de señal deben ser blindados.
Un oscilador de relajación con lámpara de neón es la base de este circuito que se puede utilizar como...
Un comparador de tensión de precisión, usando diodo zener como referencia puede ser implementado con...
Este circuito detecta ductos de metal, hilos de instalaciones embutidas, pequeños objetos...