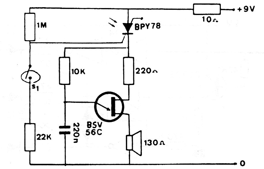
El componente sensor utilizado en esta alarma no es común actualmente. El circuito dispara directamente un oscilador unijuntura que produce sonido en un pequeño altavoz. La llave hace el rearme del circuito.
Un oscilador de relajación con lámpara de neón es la base de este circuito que se puede utilizar como...
Un comparador de tensión de precisión, usando diodo zener como referencia puede ser implementado con...
Este circuito detecta ductos de metal, hilos de instalaciones embutidas, pequeños objetos...