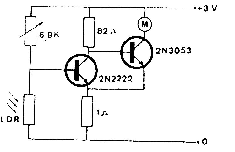
Este circuito tiene por objeto controlar un motor DC de 3 V a partir de una fuente de luz. La sensibilidad se ajusta en el trimpot y los transistores admiten equivalentes.
Usted puede montar su propio sistema de sonido con un altavoz para medios y graves (alto rango) y...
Para alimentar a los pequeños proyectos que requieren corrientes de hasta 1 A, se dará una fuente...
Este es un proyecto didáctico interesante. En el electroimán experimental accionado por la luz. ...