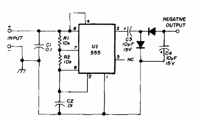
Esta configuración común de convertidor DC-DC se obtuvo en un manual para radioaficionados de 1975. El circuito convierte una tensión positiva negativa en baja corriente. Los diodos pueden ser los 1N4148.

Esta configuración común de convertidor DC-DC se obtuvo en un manual para radioaficionados de 1975. El circuito convierte una tensión positiva negativa en baja corriente. Los diodos pueden ser los 1N4148.
