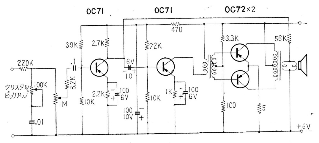
Este circuito utiliza transistores de germanio y tiene una salida push-pull con transformadores. El circuito es de una publicación japonesa de la década de 1960 y tiene una tensión de alimentación de 6 V. El circuito incluye control de tono y volumen.




