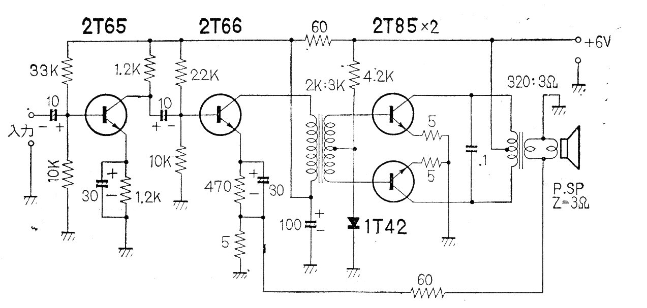
Este amplificador transistorizado con salida push-pull que usa transformador ofrece una potencia de fracción de watt. El circuito es de documentación japonesa de 1967 y los transistores son de germanio.
Usted puede montar su propio sistema de sonido con un altavoz para medios y graves (alto rango) y...
Para alimentar a los pequeños proyectos que requieren corrientes de hasta 1 A, se dará una fuente...
Este es un proyecto didáctico interesante. En el electroimán experimental accionado por la luz. ...