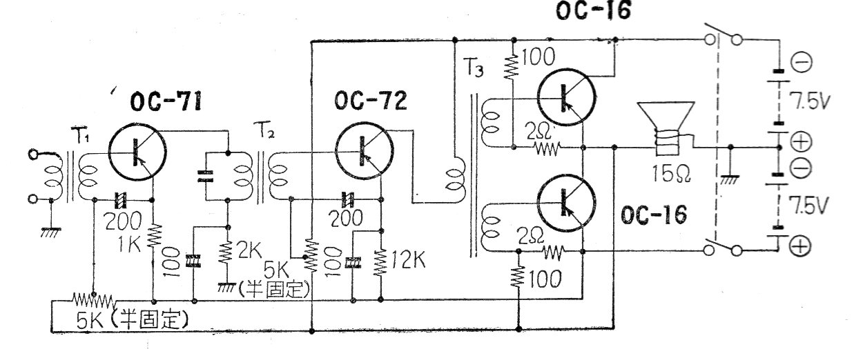
Este amplificador se encontró en una documentación japonesa de 1967. El circuito no tiene transformador de salida, pero el transformador de refuerzo es crítico. El suministro debe realizarse con una fuente simétrica de buena potencia. Los transistores de salida deben estar provistos de disipadores de calor.




