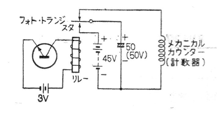
Este circuito intermitente, que se encuentra en una documentación de 1967 de Japón, genera pulsos magnéticos cuando la luz se establece y se corta en un fotosensor. Tenga en cuenta que el circuito tiene dos baterías, una de alta y otra de baja tensión.




