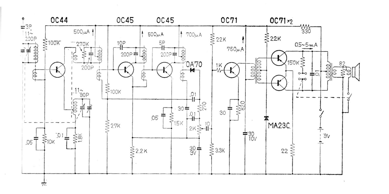
Este es el circuito de una radio comercial de los años 60, vendida en Japón, que muestra la configuración superheterodina convencional como 6 transistores de excelente sensibilidad. La alimentación se realiza mediante tensión de 9 V que puede provenir de una pequeña batería.




