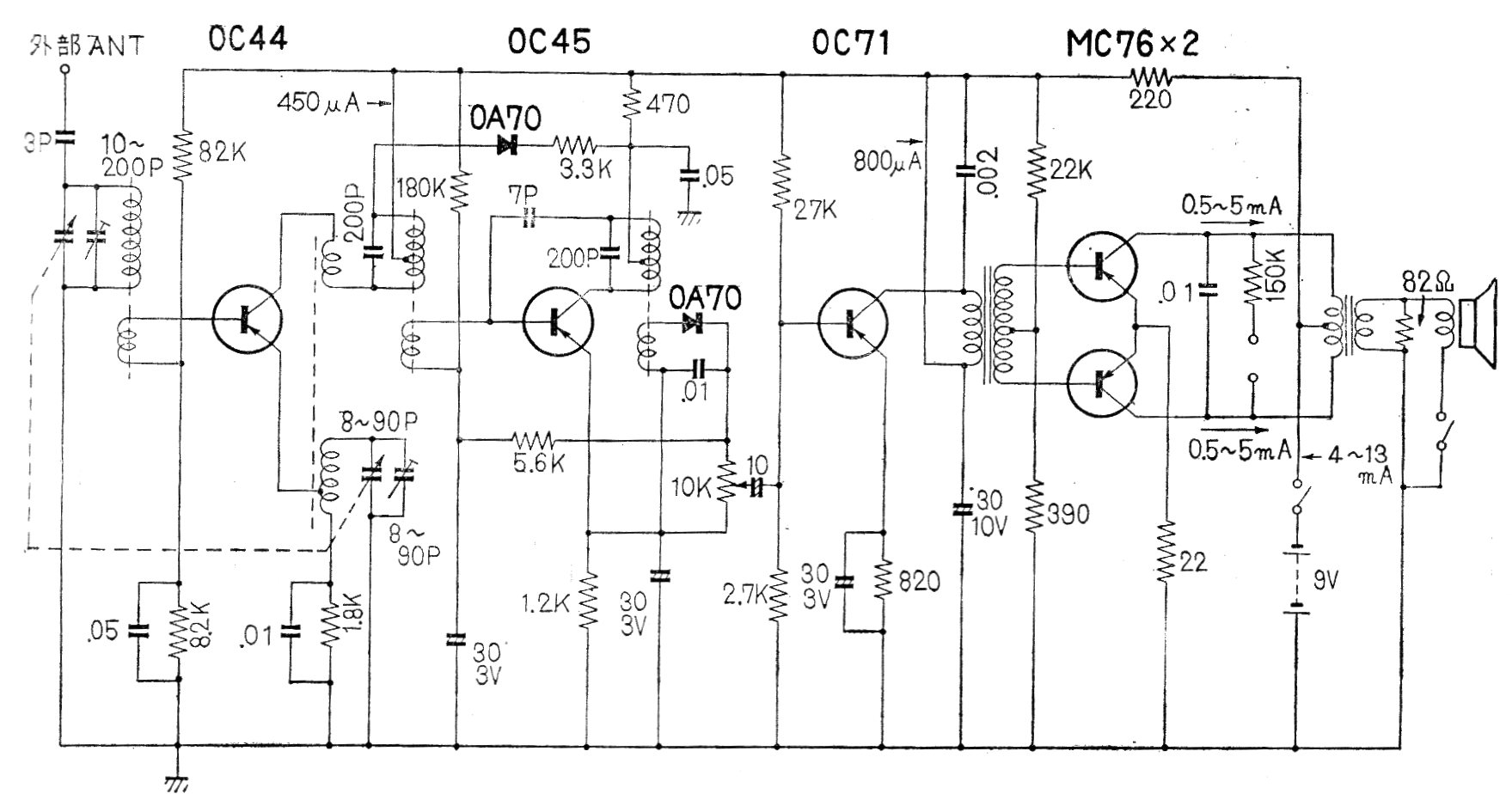
El circuito presentado es una radio comercial japonesa para AM con 50mW de potencia de salida, alimentada por 9 V. El circuito es de los años 60, habiéndose encontrado en documentación de la época.
Un oscilador de relajación con lámpara de neón es la base de este circuito que se puede utilizar como...
Un comparador de tensión de precisión, usando diodo zener como referencia puede ser implementado con...
Este circuito detecta ductos de metal, hilos de instalaciones embutidas, pequeños objetos...