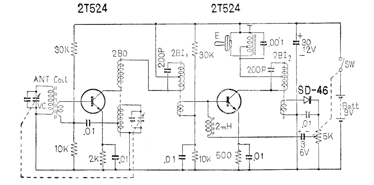
Encontramos el circuito de esta radio comercial en documentación japonesa de la década de 1960. El circuito usa dos transistores de germanio y solo se escucha en el teléfono.
Un oscilador de relajación con lámpara de neón es la base de este circuito que se puede utilizar como...
Un comparador de tensión de precisión, usando diodo zener como referencia puede ser implementado con...
Este circuito detecta ductos de metal, hilos de instalaciones embutidas, pequeños objetos...