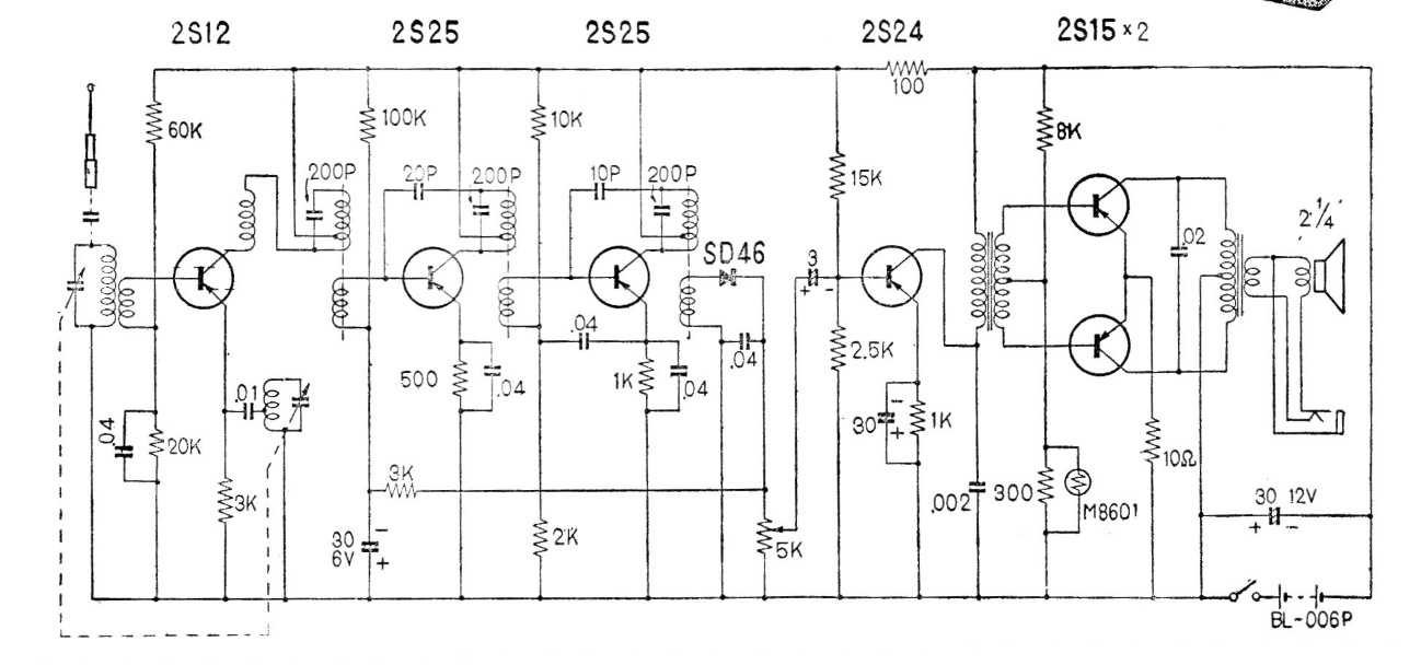
Este receptor japonés de la década de 1960 utiliza 6 transistores de germanio, alimentados por una tensión de 6 V obtenido de baterías grandes. El circuito es para el rango de onda media del tipo superheterodino.
Un oscilador de relajación con lámpara de neón es la base de este circuito que se puede utilizar como...
Un comparador de tensión de precisión, usando diodo zener como referencia puede ser implementado con...
Este circuito detecta ductos de metal, hilos de instalaciones embutidas, pequeños objetos...