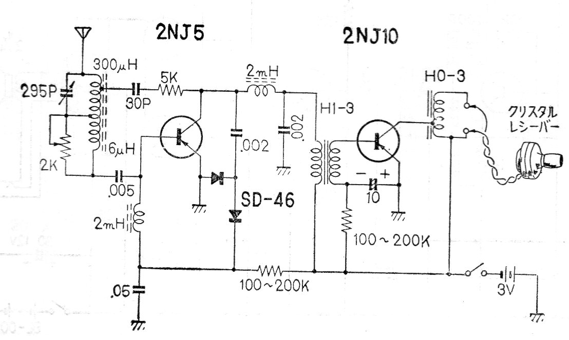
Encontramos este sencillo receptor con transistores de germanio y escuchando en un teléfono de cristal en una documentación japonesa de 1967. El circuito funciona con una batería de 9 V y no se da información sobre la bobina.
Un oscilador de relajación con lámpara de neón es la base de este circuito que se puede utilizar como...
Un comparador de tensión de precisión, usando diodo zener como referencia puede ser implementado con...
Este circuito detecta ductos de metal, hilos de instalaciones embutidas, pequeños objetos...