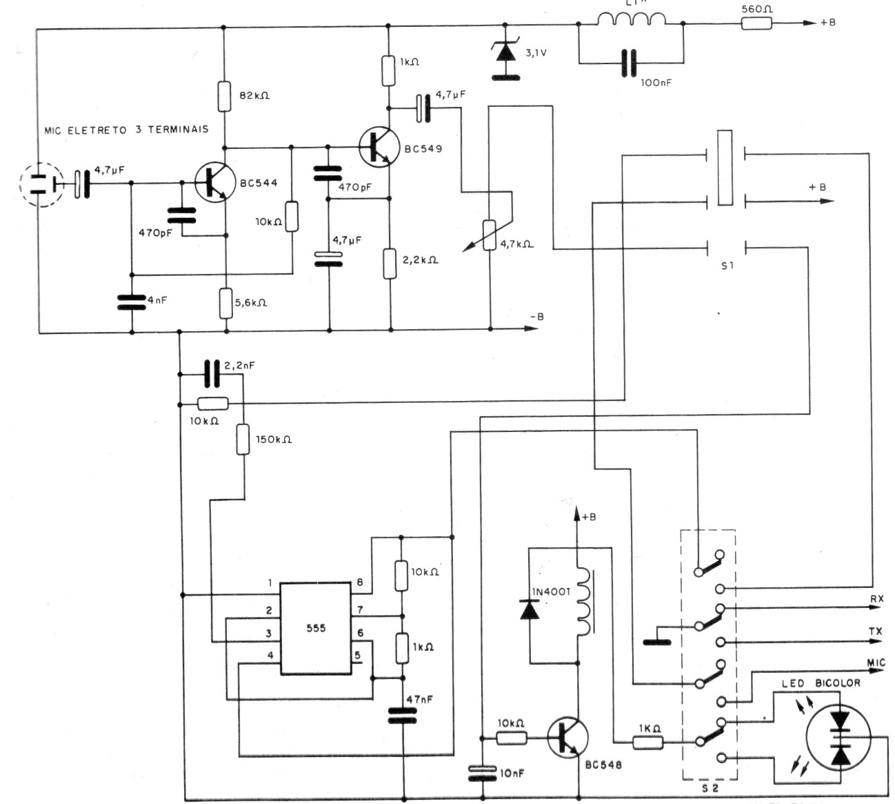
Este circuito para la gama PX o PY también incluye el efecto bip al cambiar. El circuito está alimentado por 12 V, que es la tensión del relé utilizado. El circuito se encontró en una publicación de 1993, pero los componentes utilizados siguen siendo actuales.




