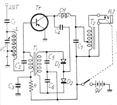
Esta sencilla radio de transistores con transistores de germanio de uso general se encontró en una documentación de 1960. Los componentes son críticos y no se proporciona información sobre las bobinas. La escucha es en un teléfono de cristal a través de un autotransformador.




