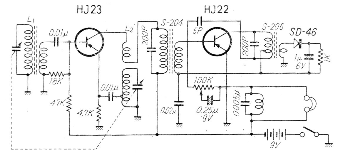
El circuito que se muestra se encontró en una publicación japonesa de la década de 1960. Los transistores pueden ser equivalentes a cualquier tipo de germanio de propósito general. No se dieron detalles de las bobinas. El circuito está alimentado por una batería de 9 V.




