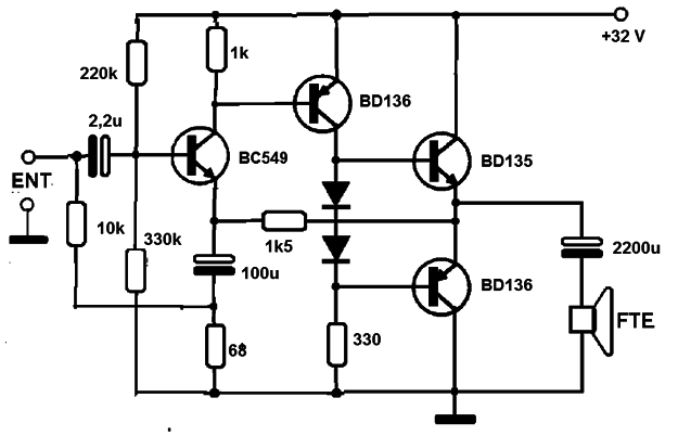
Encontramos este amplificador una documentación de 1990. Los transistores son comunes y pueden ser sustituidos, Q1por BC549. Q3 y Q4 pueden ser el BD135 y BD136 en el original se utilizaron otros. La fuente debe ser de al menos 1 A y los transistores de salida deben montar en buenos radiadores de calor. Para una versión estéreo de la fuente debe ser de al menos 2 A y dos circuitos deben ser montados, uno para cada canal, como se indica. La fuente debe tener un buen filtrado y los cables de entrada deben estar blindados. El circuito necesita unos pocos cientos de milivolts para ser excitado a plena potencia.




