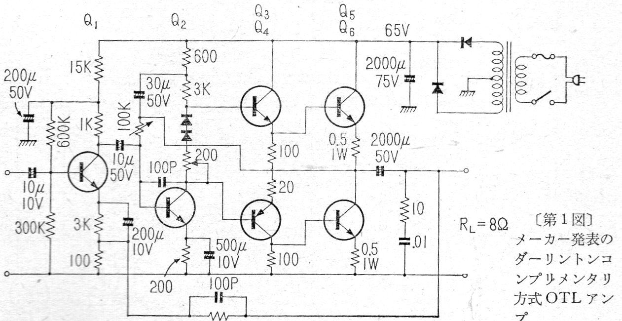
Este circuito de una publicación japonesa de 1968 utiliza transistores de germanio de la época como el AD135 que deben montarse en disipadores de calor. La potencia es de unos pocos vatios y no se dan muchos detalles de su construcción.
Este circuito simple hace que un LED parpadee al ritmo de la música de pequeños aparatos de sonido...
Nuestro proyecto consiste en un simple electroimán que, alimentado por una pila común puede atraer...
Las pilas recargables o las baterías de Nicad consisten en una de las fuentes de energía más...