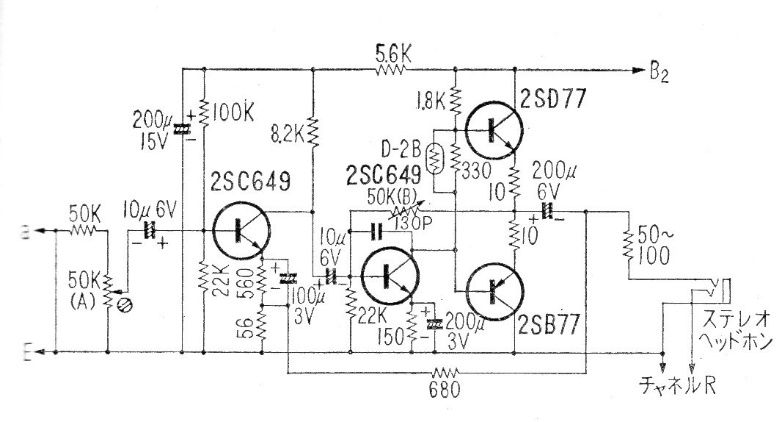
Este pequeño amplificador de auriculares con transistores de germanio se obtuvo en una publicación japonesa de 1968. La fuente de alimentación original es de 11 V, pero hay cierta tolerancia.
Este circuito simple hace que un LED parpadee al ritmo de la música de pequeños aparatos de sonido...
Nuestro proyecto consiste en un simple electroimán que, alimentado por una pila común puede atraer...
Las pilas recargables o las baterías de Nicad consisten en una de las fuentes de energía más...