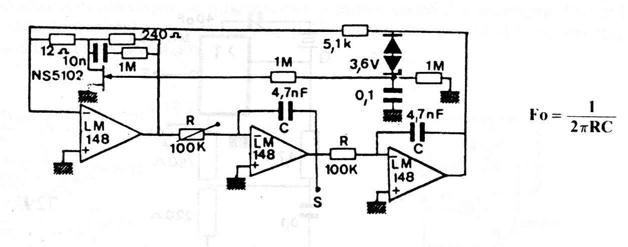
Este circuito se encontró en una publicación europea antigua, pero se puede implementar con circuitos integrados más modernos (amplificadores operacionales). La frecuencia viene dada por C, que se puede cambiar para obtener otros valores. La fuente de alimentación debe ser simétrica, según el circuito integrado utilizado.




