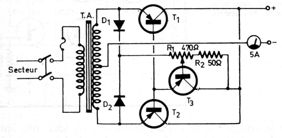
En la figura tenemos la forma de usar transistores de potencia como rectificadores en una fuente, reemplazando diodos comunes. El circuito lo sugiere la documentación francesa de la década de 1980 y los transistores deben montarse en disipadores de calor. La corriente es la que normalmente soporta el transistor utilizado.




