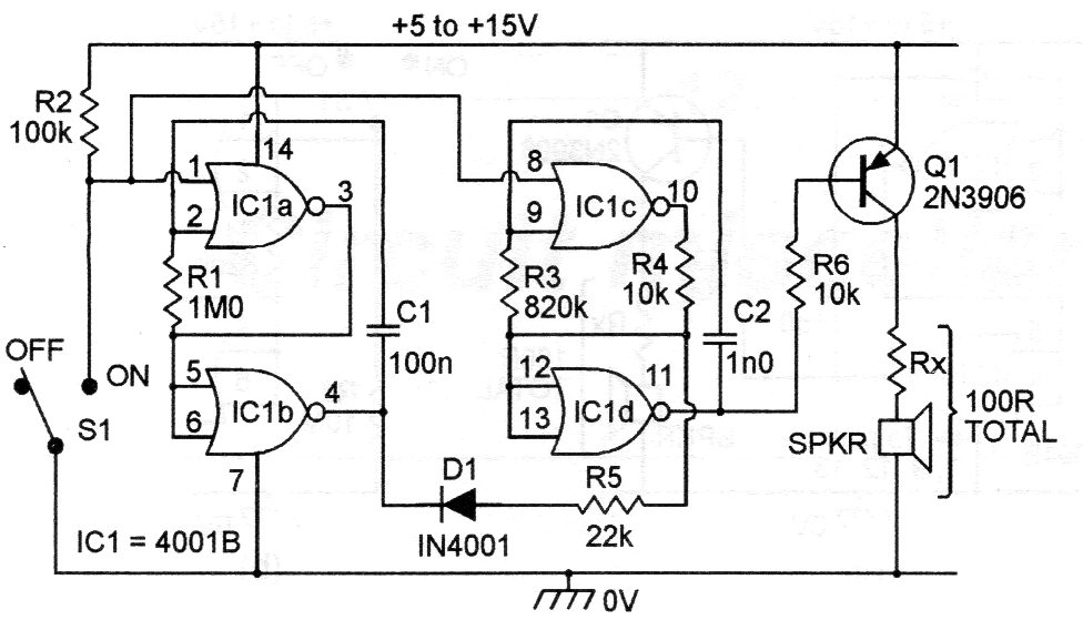
Este circuito se puede controlar mediante el pin 1 a través de la salida de un microcontrolador que funciona como un shield en un sistema de advertencia o alarma. El circuito puede tener mayor potencia intercambiando Q1 por un BD136 y quitando la resistencia Rx para que solo se pueda usar un altavoz de baja impedancia. El transistor, en este caso, puede tener una fuente separada de tensión más alta.




