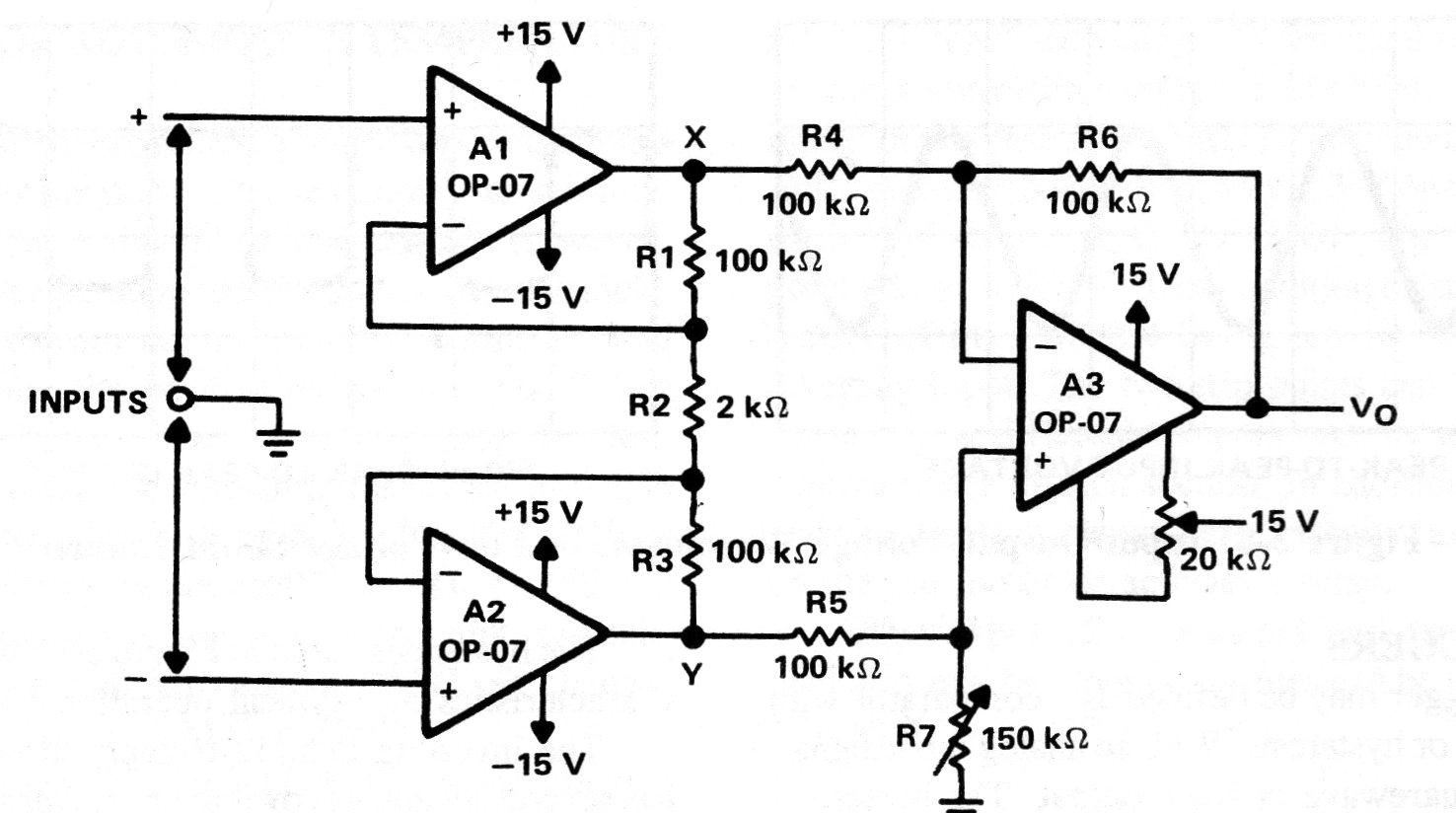
Este amplificador con impedancia de entrada muy alta fue sugerido por Texas Instruments en un manual de circuitos integrados lineales. El circuito utiliza operacionales de la época, pero se puede implementar con operativos modernos. La alimentación es simétrica.




