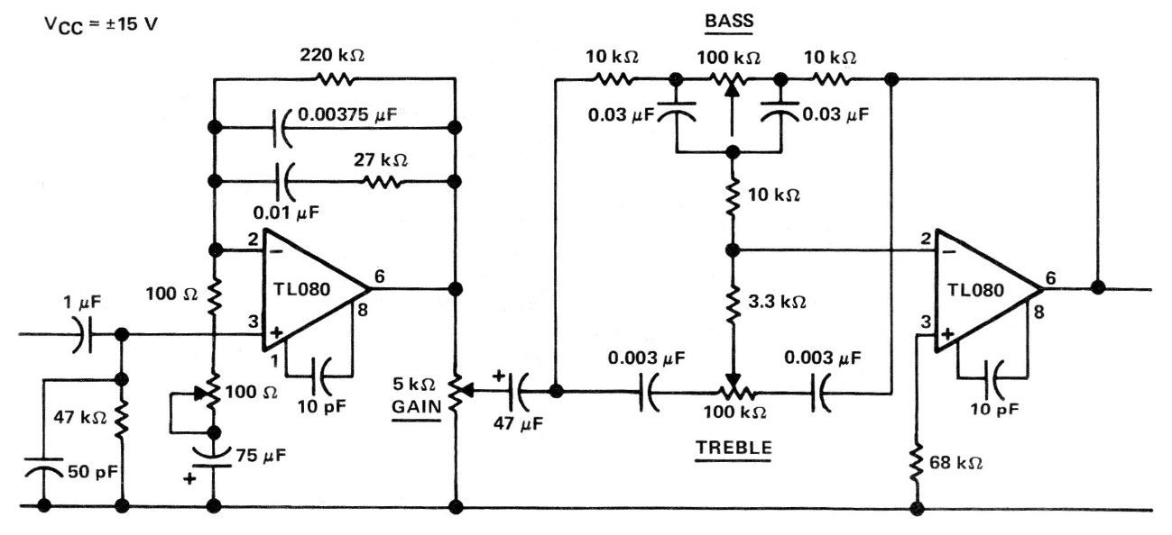
Este circuito es sugerido por el manual de aplicaciones lineales de Texas Instruments de los años 90. El circuito sigue siendo actual y debe ser alimentado por una fuente simétrica de 15 V. El circuito tiene control de ganancia, graves y agudos. Los cables de señal deben estar blindados y la fuente debe tener un filtrado excelente.




