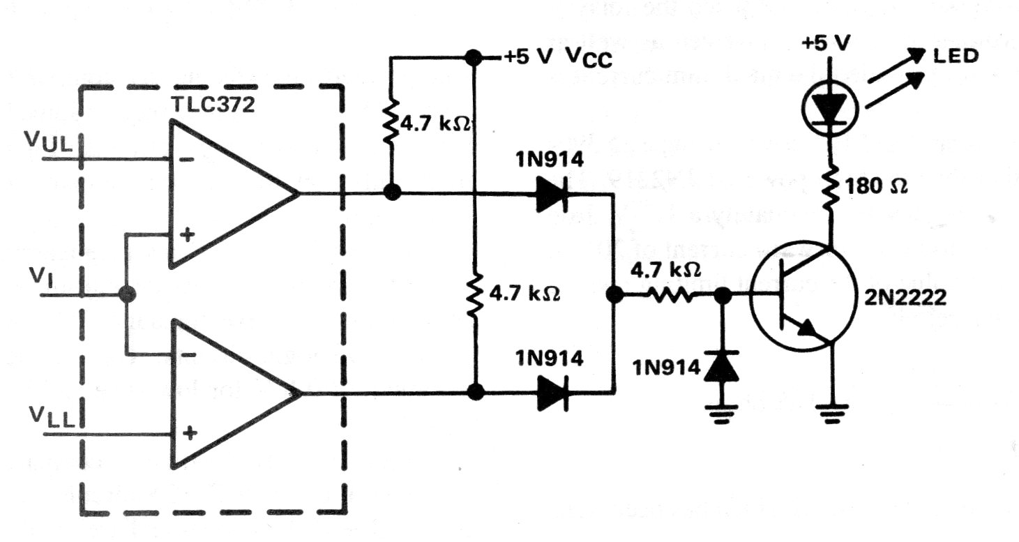
Este comparador con dos operacionales de Texas Instruments se obtuvo en un manual de aplicación de la empresa. El circuito utiliza un indicador LED y, si se alimenta con 5 V, se puede utilizar como shield de entrada. El LED en este caso también puede formar parte de un acoplador, en cuyo caso la tensión utilizada puede ser diferente de 5 V.




