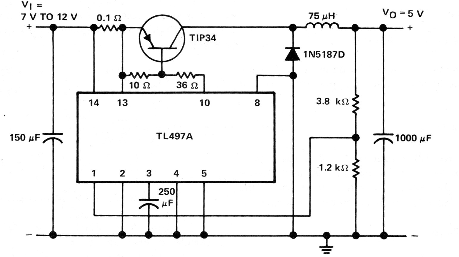
La entrada de este regulador puede estar entre 7 y 12 V y la salida es de 5 V. El circuito es del manual de aplicaciones lineales de Texas Instruments 1996. El transistor debe montarse en un buen radiador de calor.
Este circuito simple hace que un LED parpadee al ritmo de la música de pequeños aparatos de sonido...
Nuestro proyecto consiste en un simple electroimán que, alimentado por una pila común puede atraer...
Las pilas recargables o las baterías de Nicad consisten en una de las fuentes de energía más...