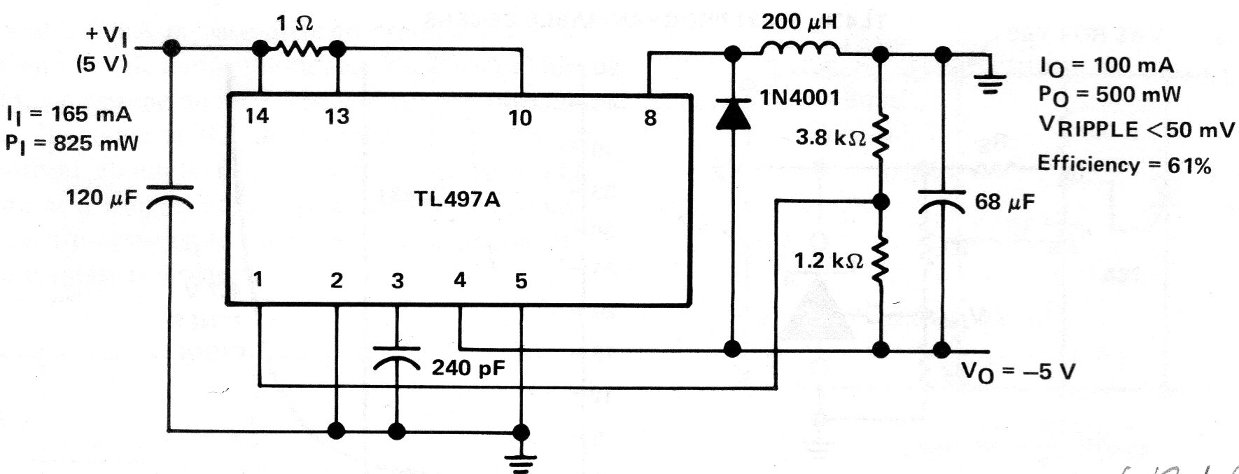
Este circuito proporciona un voltaje negativo de -5 V con una corriente de hasta 100 mA. Texas Instruments sugiere el circuito en uno de sus manuales. La tensión de ondulación es de solo 50 mV como máximo. En el propio diagrama se dan más características.




